高壓軟啟動器是一種集電機軟起動、軟停車、輕載節能和多種保護功能于一體的新穎電機控制裝置。它的主要構成是串接于電源與被控電機之間的三相反并聯閘管及其電子控制電路。運用不同的方法,控制三相反并聯閘管的導通角,使被控電機的輸入電壓按不同的要求而變化,就可實現不同的功能。
工作原理
高壓軟啟動柜采用計算機控制技術和電力電子技術相結合,主回路的開關元件采用高壓大功率晶閘管,通過控制晶閘管來實現輸出電壓,起動電流根據起動條件得到最優控制,實現電動機的平穩起停。
高壓軟啟動柜通過控制晶閘管可降低加在電機上的電壓,然后通過慢慢地控制加在電機上的電壓和電流平滑地增加電機轉矩,直到電機加速到全速運行,可以有效減小起動電流,同時晶閘管靜態、動態均壓保護措施,應具有技術先進、結構緊湊、安全可靠、維護方便等特點
高壓軟啟動柜柜體采用焊接結構,具有防塵性好、結構緊湊、美觀大方的特點
高壓軟啟動柜通過控制晶閘管可降低加在電機上的電壓,起動電流為額定電流的1~5倍可調。
高壓軟啟動柜采用信號多級處理及隔離技術,具有很強的抗干擾能力。
高壓軟啟動柜能準確的采集高壓主回路的同步信號和電流信號,有效的實現閉環控制。 1.3.7 高壓固態軟起動裝置具有旁路功能,起動完成后無擾切到工頻運行。
保護功能
過載保護共6級保護級別,根據所設定的過載保護曲線進行保護;
過流保護:20—500%Ie 通過檢測運行過程中的電流實現運行過程中的過流保護;
過壓保護:主電網電壓上升到120%額定電壓時,延遲1~10S(可調),跳閘保護;
欠壓保護:主電網電壓低于額定電壓70%時,延遲時間1~10S(可調),跳閘保護;
缺相保護:當任意一相缺失時,跳閘保護;
相序保護:可設置相序檢測,當檢測到相序錯誤時保護;
相電流不平衡:主回路電流不平衡度超過設定數值(0~100%可調),跳閘保護;
晶閘管過溫保護:當晶閘管散熱器溫度超過85℃時,跳閘保護;
起動超時保護:在設定的最長起動時間內(0~120S可調),電動機仍未達到全速,跳閘保護;
零序保護:當檢測到漏電電流時,跳閘保護
具有自檢程序:開機自檢
技術特點及配置
免維護:可控硅是無觸點的電子器件,不同于其他類型的產品需經常維護液體和部件等,把機械壽命變為電子元件使用壽命,連續運行數年也無需停機維護。
安裝使用簡單:SQ1-10KV-4000KW是一個完整的電機起動控制和保護系統。在加高壓運行前,允許使用低壓對整個系統進行電氣測試。
采用高壓功率晶閘管,組件式結構、模塊化設計,便于安裝維護。
具有多重過電壓吸收、保護技術
內置有直接起動容量的真空接觸器,在檢修過程中或出現故障時,電動機可以采用直接起動方式工作,保證生產的連續性。
采用32位ARM核微控制器執行中心控制,控制實時高效、顯示直觀、可靠性高、穩定性好。
采用國外著名高抗干擾性的數字式觸發器與光纖隔離技術、使得裝置的高、低壓做到可靠的隔離。
采用中文液晶顯示系統,操作界面人性化。
RS-485通訊接口,標準MODBUS協議。可與上位機或集中控制中心進行通信。
所有電路板均經過嚴格的老化實驗,并進行三防處理,主板及所有控制板CPU全部選用原裝進口產品。
電壓取樣采用電磁式電壓互感器取樣線性好,抗干擾性強,無零漂
高壓軟啟動柜有三相電壓、三相電流顯示。保護功能:缺相、欠壓、過壓、過流、過載等,采用RS485接口引至集中監控。
高壓軟啟動柜母線采用優質電解銅,純度達到99.99%,載流量及截面積按設計要求,柜內結構采用高絕緣性能材料模具作支撐,進、出接線易于接線,柜內有固定線卡。
高壓軟啟動柜預留系統信號接點

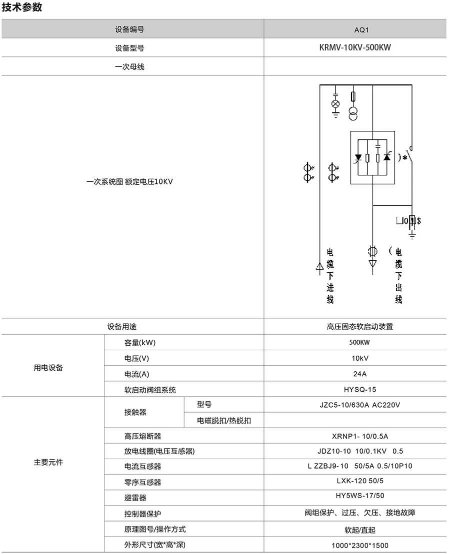
固態高壓軟起動柜是一個標準的電機起動、保護裝置,用來控制和保護高壓交流電機。標準的HYSQ1產品主要由以下部件組成:高壓可控硅模塊、可控硅保護部件、光纖觸發部件、真空開關部件、信號采集與保護部件、系統控制與顯示部件。
可控硅模塊:每相中采用相同參數的可控硅串并聯安裝在一起。根據所使用電網的峰值電壓要求,選擇可控硅串聯的數量不同。
閥體保護單元:包括由RC網絡組成的過電壓吸收網絡、由均壓單元組成的均壓保護網絡。
光纖觸發部件:采用強觸發脈沖電路,保證觸發的一致性和可靠性;利用光纖觸發進行可靠高低壓隔離。
真空開關部件:在起動完成后,三相真空接觸器自動吸合,電動機投入電網運行。
信號采集與保護部件:通過電壓互感器、電流互感器、避雷器、零序電流互感器對主回路電壓、電流信號進行采集,主CPU控制并進行相應保護。
系統控制與顯示部件:32位ARM核微控制器執行中心控制、中文液晶人機界面顯示。
1.1、使用條件
環境溫度:-25℃~+50℃
使用場所:戶內,不受陽光直射,無塵埃、腐蝕性氣體、易燃易爆氣體、油霧、水蒸汽、滴水或鹽分防雨防潮
濕度:5%-95%,無水珠凝結
振動:低于5.9m/sec2(=0.6g)
無金屬屑,導電塵埃,腐蝕氣體及劇烈震動的場所
海拔高度: ≤1500米(大于1500米需要降容使用);
1.2、技術參數
負載種類:三相中高壓鼠籠式異步、同步電機
額定電壓:3KV、6KV、10KV±30%
電源頻率: 50Hz
適配功率:
電機的滿載電流:15-9999 可調
起始電壓:(20~100%)Ue 可調
起始電流:(20~100%)Ie可調
限流倍數:100-500%Ie 可調
起動/停止時間: 0-120S 可調
四種起動控制曲線: 電壓斜坡起動指數曲線
電壓斜坡起動線性曲線
電流斜坡起動指數曲線
電流斜坡起動線性曲線
突跳電壓:20-100%Ue 可調 突跳時間: 0-2000ms 可調
起動頻次:1—6次/小時
每兩次間隔時間不少于10分鐘
接地方式:三相,中性點不接地
通訊接口:RS-485接口
冷卻方式:自然風冷
主回路進出線方式:下進下出
控制方式:一拖一
防護等級: IP32
1.3、工作原理
1.3.1 高壓固態軟起動裝置采用計算機控制技術和電力電子技術相結合,主回路的開關元件采用高壓大功率晶閘管,通過控制晶閘管來實現輸出電壓,起動電流根據起動條件得到最優控制,實現電動機的平穩起停。
1.3.2 高壓固態軟起動裝置通過控制晶閘管可降低加在電機上的電壓,然后通過慢慢地控制加在電機上的電壓和電流平滑地增加電機轉矩,直到電機加速到全速運行,可以有效減小起動電流,同時晶閘管靜態、動態均壓保護措施,應具有技術先進、結構緊湊、安全可靠、維護方便等特點
1.3.3 高壓固態軟起動裝置柜體采用焊接結構,具有防塵性好、結構緊湊、美觀大方的特點
1.3.4 高壓固態軟起動裝置通過控制晶閘管可降低加在電機上的電壓,起動電流為額定電流的1~5倍可調。
1.3.5 高壓固態軟起動裝置采用信號多級處理及隔離技術,具有很強的抗干擾能力。
1.3.6 高壓固態軟起動裝置能準確的采集高壓主回路的同步信號和電流信號,有效的實現閉環控制。 1.3.7 高壓固態軟起動裝置具有旁路功能,起動完成后無擾切到工頻運行。
1.4、保護功能
1.4.1 過載保護共6級保護級別,根據所設定的過載保護曲線進行保護;
1.4.2 過流保護:20—500%Ie 通過檢測運行過程中的電流實現運行過程中的過流保護;
1.4.3 過壓保護:主電網電壓上升到120%額定電壓時,延遲1~10S(可調),跳閘保護;
1.4.4 欠壓保護:主電網電壓低于額定電壓70%時,延遲時間1~10S(可調),跳閘保護;
1.4.5 缺相保護:當任意一相缺失時,跳閘保護;
1.4.6 相序保護:可設置相序檢測,當檢測到相序錯誤時保護;
1.4.7 相電流不平衡:主回路電流不平衡度超過設定數值(0~100%可調),跳閘保護;
1.4.8 晶閘管過溫保護:當晶閘管散熱器溫度超過85℃時,跳閘保護;
1.4.9 起動超時保護:在設定的最長起動時間內(0~120S可調),電動機仍未達到全速,跳閘保護;
1.4.10零序保護:當檢測到漏電電流時,跳閘保護
1.4.11具有自檢程序:開機自檢
1.5、技術特點及配置
1.5.1 免維護:可控硅是無觸點的電子器件,不同于其他類型的產品需經常維護液體和部件等,把機械壽命變為電子元件使用壽命,連續運行數年也無需停機維護。
1.5.2 安裝使用簡單:ZDGR是一個完整的電機起動控制和保護系統。在加高壓運行前,允許使用低壓對整個系統進行電氣測試。
1.5.3 采用高壓功率晶閘管,組件式結構、模塊化設計,便于安裝維護。
1.5.4 具有多重過電壓吸收、保護技術
1.5.5 內置有直接起動容量的真空接觸器,在檢修過程中或出現故障時,電動機可以采用直接起動方式工作,保證生產的連續性。
1.5.6 采用32位ARM核微控制器執行中心控制,控制實時高效、顯示直觀、可靠性高、穩定性好。
1.5.7 采用國外著名高抗干擾性的數字式觸發器與光纖隔離技術、使得裝置的高、低壓做到可靠的隔離。
1.5.8 采用中文液晶顯示系統,操作界面人性化。
1.5.9 RS-485通訊接口,標準MODBUS協議。可與上位機或集中控制中心進行通信。
1.5.10所有電路板均經過嚴格的老化實驗,并進行三防處理,主板及所有控制板CPU全部選用原裝進口產品。
1.5.11電壓取樣采用電磁式電壓互感器取樣線性好,抗干擾性強,無零漂
1.5.12高壓固態軟起動裝置有三相電壓、三相電流顯示。保護功能:缺相、欠壓、過壓、過流、過載等,采用RS485接口引至集中監控。
1.5.13高壓固態軟起動裝置母線采用優質電解銅,純度達到99.99%,載流量及截面積按設計要求,柜內結構采用高絕緣性能材料模具作支撐,進、出接線易于接線,柜內有固定線卡。
1.5.14高壓固態軟起動裝置預留系統信號接點
①輸出信號接點:
運行狀態信號:常開觸點 停止狀態信號:常閉觸點
故障狀態信號:常開觸點 4~20mA模擬輸出信號
②外部輸入信號接點:
遠程起動信號輸入: 無源常開接點 遠程停機信號輸入: 無源常閉接點
DCS起動信號輸入: 無源常開接點 DCS停機信號輸入: 無源常閉接點
開關柜就緒信號輸入: 無源常開接點
1.6、操作/控制方式
4.7.1 輸入方式:菜單化,中文液晶人機界面顯示;
4.7.2 設有本地、遠程(外部干接點)、DCS、通迅(485接口、Modbus)控制功能;
1.7、外形尺寸
軟起動柜外形尺寸為1000×1500×2300(寬×深×高),內部布局滿足安全、接線方便、檢修方便等要求。
二、起動特點
2.1、軟起動控制模式
軟起軟停電壓(電流)特性曲線
HYSQ1系列軟起動裝置有多種起動方式:限流軟起動、電壓線性曲線起動、電壓指數曲線起動、電流線性曲線起動,電流指數曲線起動;多種停車方式:自由停車、軟停車、制動剎車,軟停+制動剎車,還具有點動功能。用戶可根據負載不同及具體使用條件選擇不同的起動方式和停車方式。
2.1、限流軟起動
使用限流軟起動模式時,起動時間設置為零,軟起動裝置得到起動指令后,其輸出電壓迅速增加,直至輸出電流達到設定電流限幅值Im,輸出電流不再增大,電動機運轉加速持續一段時間后電流開始下降,輸出電壓迅速增加,直至全壓輸出,起動過程完成。
2.2、電壓指數曲線
輸出電壓以設定的起動時間按照指數特性上升,同時輸出電流以一定的速率增加,當起動電流增至限幅值Im時,電流保持恒定,直至起動完成。使用此模式時,需同時設定起動時間和限流倍數。
2.3、電壓線性曲線
輸出電壓以設定的起動時間按照線性特性上升,同時輸出電流以一定的速率增加,當起動電流增至限幅值Im時,電流保持恒定,直至起動完成。
2.4、電流指數曲線
輸出電流以設定的起動時間按照指數特性上升,當起動電流增至限幅值Im時,電流保持恒定,直至起動完成。使用此模式時,需同時設定起動時間和限流倍數。
2.5、電流線性曲線
輸出電流以設定的起動時間按照線性特性上升,當起動電流增至限幅值Im時,電流保持恒定,直至起動完成。
2.6、突跳轉矩軟起動
突跳轉矩軟起動模式主要應用在靜態阻力比較大的負載電動機上,通過施加一個瞬時較大的起動力矩以克服大的靜摩擦力矩。該模式下輸出電壓迅速達到設定的突跳電壓,當達到預先設定的突跳時間后降為起始電壓,再根據所設定的起始電壓電流、起動時間平穩起動,直至起動完成。
2.7、自由停車
當軟停車時間和剎車時間同時設置為零時為自由停車模式,軟起動裝置接到停機指令后,首先封鎖旁路接觸器的控制繼電器并隨即封鎖主電路晶閘管的輸出,電動機依負載慣性自由停機。
2.8、軟停車
當軟停車時間設定不為零時,在全壓狀態下停車則為軟停車,在該方式下停機,軟起動裝置首先斷開旁路接觸器,軟起動裝置的輸出電壓在設定的軟停車時間內逐漸降至所設定的軟停終止電壓值,軟停車過程結束起動裝置轉為剎車制動狀態(剎車時間不為零)或自由停止。
2.9、制動剎車
當軟起動裝置設置了剎車時間并且選擇了剎車時間繼電器輸出,則當軟起動裝置自由停止后,剎車時間繼電器輸出信號在停(剎)車時間內保持有效。用該時間繼電器輸出信號控制外置制動單元或機械抱閘電氣控制單元
2.10、軟停+制動剎車
當軟起動裝置設置了軟停時間,并且設置了剎車時間,軟起動裝置首先斷開旁路接觸器,軟起動裝置的輸出電壓在設定的軟停車時間內逐漸降至所設定的軟停終止電壓值,軟停車過程結束后在所定的剎車時間內剎車。